2001 Nissan Xterra Car Stereo Wiring Diagram And Nissan Radio Wiring Wiring Diagram Nissan Pulsar Pulsar Nissan How To Nissan Frontier Stereo Wiring Diagram My Pro Street I Am Trying To Install A Radio In A 2001 Nissan Frontier And Need A Wiring Diagram For The Factory Radio In Order To 18 2008 Altima Coupe. 2000 Mitsubishi Galant Stereo Wiring.

Mitsubishi Eclipse Car Stereo Wiring Explained 1990 1994 How To Wire Install Youtube
Fuse box in passenger compartment.
01 galant radio wiring diagram. Mitsubishi E Star Manual Part 102. Car radio wire diagram stereo wiring diagram gm radio wiring diagram. If a cable has two colors the first of the two color code characters indicates the basic color Color of the cable coating and the second indicates the Page 128 Page 865 Fuse.
Wire Color Codes Wire colors are identified by the following color codes. Premium Color Wiring Diagrams Get premium wiring diagrams that are available for your vehicle that are accessible Online right now Purchase Full Set of complete wiring diagrams so you can have full Online access to everything you need including premium wiring diagrams fuse and component locations repair information factory recall information and even TSBs Technical. Blue Car Radio Ground Wire.
For the Mitsubishi Galant EA 1997 1998 1999 2000 2001 2002 2003 2004 model year. We have 28 Mitsubishi Galant manuals covering a total of 29 years of production. MITSUBISHI Car radio wiring diagrams.
MITO-01 2 From the 14-pin harness to the aftermarket radio. Does any body have or know where I could find a wiring diagram for a 2004 Mitsubishi Galant. Our most popular manual is the Mitsubishi - Galant - Wiring Diagram - 2004 - 2009.
Fuse box diagram fuse layout location and assignment of fuses and relays Mitsubishi Galant 2004 2005 2006 2007 2008 2009 2010 2011 2012. A wiring diagram is a simple aesthetic depiction of the physical links and also physical design of an electrical system or circuit. Mitsubishi cars Parts and spares for old Mitsubishis.
Car stereo radio wiring diagram. Tape off and disregard the Red wire it will not be used in this application. Radio diagram wiring car radio car radio wiring diagrams.
Get free help tips support from top experts on wiring diagram gmos 01 related issues. Connect the BlueWhite wire to the amp turn on wire this wire must be connected to hear sound from the factory amplifier. Mitsubishi Galant Wiring Diagram MITSUBISHI Car Radio Stereo Audio Wiring Diagram Autoradio.
RedBlack Car Radio Switched 12v Wire. In the table below you can see 0 Galant Workshop Manuals0 Galant Owners Manuals and 2 Miscellaneous Mitsubishi Galant downloads. MITSUBISHI Car Radio Stereo Audio Wiring Diagram Autoradio connector wire installation schematic schema esquema de conexiones stecker konektor connecteur cable shema car stereo harness wire speaker pinout connectors power how to install.
Application and ID Dedicated Fuse Engine Compartment Page 3782 b. Press Release Mitsubishi Motors Corporation. Car radio install car wiring diagrams wiring harness pinout connector diagram.
Connect the GreenPurple wire to the reverse wire of the aftermarket navigation radio. The gmos lan 01 also provides a mute parking brake vss or speed sense and a reverse out put to make installing an aftermarket navigational radio simpler and less time consuming. Connect the yellow wire to the radio s 12 volt battery or memory wire.
Listed below is the vehicle specific wiring diagram for your car alarm remote starter or keyless entry installation into your 1999-2001 Mitsubishi GalantThis information outlines the wires location color and polarity to help you identify the proper connection spots in the vehicle. Be the first to answer Dec 18 2016 2001 Mitsubishi Mirage. Connect the BluePink wire to the VSS or speed sense wire of the aftermarket navigation radio.
I need a repair manual for an 01 Mitsubishi Mirage DE coupe withvthe 15 liter engine. Always verify all wires wire colors and diagrams before applying any information found here to your 2003 Mitsubishi Galant. Read or download f150 radio for free wiring diagram at humaneardiagram loireweb fr.
September 08 2004 at 132 PM IP Logged. Mmucc us Thousands collection of electric wiring diagram. Also it makes installation a breeze.
-J SYSTEM WIRING DIAGRAMS Distribution Circuit 3 of 4 2001 Honda Civic Ell -l Page 1 Monday May 05 2003 0128PM. Mitsubishi Carisma 1996 To 2003 Service Repair Manual. This is the radio.
I am not sure if it is dependent of the can bus or not. If you cant find your car stereo wiring diagram or car radio wiring diagram on Modified Life please feel free to post a car wiring diagram request Car Stereo Wiring Diagram Request Page and well do our best to find you the information you need for. The following wires on the 14 pin harness are for the aftermarket radios that have navigation built in.
Whether your an expert Mitsubishi Galant mobile electronics installer Mitsubishi Galant fanatic or a novice Mitsubishi Galant enthusiast with a 2011 Mitsubishi Galant a car stereo wiring diagram can save yourself a lot of time. 2001 Mitsubishi Galant Car Stereo Radio Wiring Diagram Car Radio Constant 12v Wire. Discussion Starter 1 Dec 30 2014 Edited Happy Holidays GuysGals.
Honestly we also have been remarked that 2001 ford f150 radio wiring diagram is being one of the most popular field at this time. How to wire a car radio wiring diagram for car stereo.
This like all of our manuals is available to. I am upgrading the radio on our 01 Cougar and wonder if anyone has a wiring diagram. When completed plug the 14 pin harness into the GMOS-01.
Home the12volts Install Bay Vehicle Wiring View all Mitsubishi Vehicles 2000 Mitsubishi Galant Vehicle Search. Automotive wiring in a 2011 Mitsubishi Galant vehicles are becoming increasing more difficult to identify due to the installation of. The information necessary for all drivers including the catalog numbers for carrying out an independent maintenance routine the electrical wiring diagram circuit diagram for the vehicle and the description of the checks of the Mitsubishi Galant electrical components can be found in separate chapters of this manual.
Mitsubishi D1300FD Tractor Manuals Service Repair. Metra 70 7001 Radio Wiring Harness for Mitsubishi 1992 Up. Please verify all wire colors and diagrams before applying any information.
Mitsubishi Galant wire harnesses showcased on our digital shelves provide efficient worry-free operation of many parts of the vehicle. The new radio is touch screen with blue tooth interface also any compatible steering wheel interface available. Car radio wire colors car audio wiring free radio wiring diagrams.
Car stereo wiring diagram radio installation head unit. We carry Mitsubishi Galant wire harnesses that have a common style with black or white connectors on each end covered in certain areas by a special type of tape or sleeve as well as harnesses that. Amazon com Factory Radio Stereo.

All Wiring Diagrams For Mitsubishi Galant Ralliart 2008 Wiring Diagrams For Cars

I Need The Wiring Diagram For A Cd Player On A 02 Mitsubishi Galant I Dont Know What The Difference In The Colors Is

Mitsubishi Car Radio Stereo Audio Wiring Diagram Autoradio Connector Wire Installation Schematic Schema Esquema De Conexiones Stecker Konektor Connecteur Cable Shema

Speedometer Not Working Four Cylinder Front Wheel Drive Automatic

Buk S Garage 2005 Mitsubishi Galant Aftermarket Radio Install Youtube
All Wiring Diagrams For Mitsubishi Galant Ls 2000 Wiring Diagrams For Cars

I Need The Wiring Diagram For A Cd Player On A 02 Mitsubishi Galant I Dont Know What The Difference In The Colors Is
Radio Mitsubishi Galant Es 2003 System Wiring Diagrams Ledningsdiagrammer Til Biler

16 Car Stereo Wiring Diagram Mitsubishi Mitsubishi Cars Car Stereo Jetta Car

I Need The Wiring Diagram For A Cd Player On A 02 Mitsubishi Galant I Dont Know What The Difference In The Colors Is

High Quality Audio Cable Wiring Harness Plug Adapter For Mitsubishi Galant

Need To Know What Color Represents What For Putting In A Radio 20002 Galant

I Cannot Find The Right Wiring Harness Diagram For My Radio
![]()
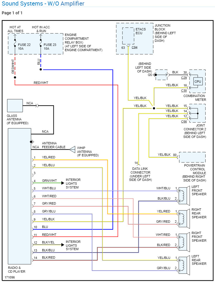
Mitsubishi Galant 01 2001 Factory Car Stereo Wiring Installation Harness Oem Radio Install Wire
All Wiring Diagrams For Mitsubishi Galant Es 2001 Wiring Diagrams For Cars

Galant Stereo Wiring Harness Diagram Schematic And Wiring Diagram Mitsubishi Galant Mitsubishi Eclipse Gs Mitsubishi Eclipse

Mitsubishi Car Radio Stereo Audio Wiring Diagram Autoradio Connector Wire Installation Schematic Schema Esquema De Conexiones Stecker Konektor Connecteur Cable Shema
All Wiring Diagrams For Mitsubishi Galant Ralliart 2008 Wiring Diagrams For Cars

Tidak ada komentar:
Posting Komentar